- 產品概述
- 選型參數
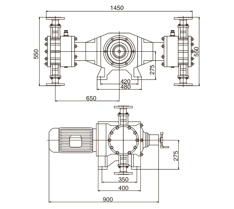
- 安裝尺寸
- 應用領域
一、DY-T2型液壓隔膜式計量泵產品介紹:
1. 流量范圍:0-23000 L/H
2. 壓力范圍:0-50 MPA
3. 驅動系統:兩相、三相標準電機或防爆電機,
4. 流量控制:手動控制或自動控制
產品材料
1. 泵頭: SUS304, SUS316, 304+PTFE, 316+PTFE
2. 隔膜: 復合PTFE
3. 單向閥: SUS304, SUS316
4. 閥球: ZrO2, SUS304, SUS316, 陶瓷

二、DY-T2型液壓隔膜式計量泵產品特點:
1. 先進的液壓系統設計,無泄漏。
2. 工作壓力可達30MPa,計量精度±1%。
3. 泵在運行和停止狀態都可調節流量。
4. 介質的使用溫度不宜超過100℃,不低于-30℃,否則影響隔膜的使用壽命。
5. 能定量輸送酸、堿、水以及各種特殊介質。
6. 在泵頭內無介質的狀態下也可以運行。
7. 無噪音、體積小、操作簡單、維修方便。
三、DY-T2型液壓隔膜式計量泵主要應用:
適用于由一般的常溫清水甚至具有強腐蝕、易揮發、易結晶、易燃、易爆、劇毒、腐蝕性強,有放射性或其它貴重液體等等。同時也可以輸送懸浮液體。為了防止隔膜破裂后,介質與液壓油混合引起事故,對易燃易爆、劇毒及貴重液體的輸送可選用雙隔膜計量泵并帶隔膜破裂報警裝置。

- 上一個產品: DY-T型液壓隔膜式計量泵
- 下一個產品: GB系列大流量機械隔膜計量泵



























